
概述:
錐形鎖風閥廣泛用于建材、礦山、煤炭、冶金、熱電等部門。用于物料輸送的自動調節及控制,防止野風進入,確保系統輸送的暢通。
工作原理及結構特征:
錐形鎖風閥靠重錘的重力使圓錐閥瓣緊貼閥門口,當物料達到一定重量時,物料的壓力使閥瓣下沉、物料卸出。重錘使圓錐閥瓣再次復位。錐形鎖風閥只能立式安裝,鎖風閥的上部位應保持一定的料柱。
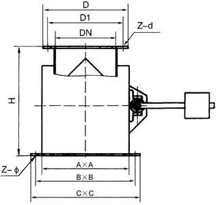
外形尺寸:

| DN | D | D1 | H | A×A | B×B | C×C | Z-d | Z-Φ |
| 200 | 300 | 260 | 400 | 300×300 | 360×360 | 400×400 | 12-Φ14 | 16-Φ14 |
| 250 | 350 | 310 | 450 | 350×350 | 410×410 | 450×450 | 12-Φ14 | 16-Φ14 |
| 300 | 400 | 365 | 500 | 400×400 | 460×460 | 500×500 | 12-Φ14 | 16-Φ14 |
| 350 | 450 | 415 | 550 | 450×450 | 510×510 | 450×450 | 12-Φ14 | 16-Φ14 |
| 400 | 500 | 465 | 600 | 500×500 | 560×560 | 500×500 | 12-Φ14 | 16-Φ14 |
| 500 | 600 | 565 | 700 | 600×600 | 665×665 | 610×610 | 12-Φ14 | 16-Φ14 |
安裝使用及維護
1、 錐形鎖風閥在使用前必須調整,尋找重錘在杠桿上的合理位置。
2、 錐形鎖風閥上部應保持一定的料柱,使之密閉防止漏風。
3、 錐形鎖風閥必須直立安裝,以保持閥門平衡裝置的正常工作。
關鍵詞:


